Quantum is now.
Quantum computing is changing the world, and IonQ is leading the way across quantum computing, networking, sensing, and security.
Start your quantum journeyQuantum computing is changing the world, and IonQ is leading the way across quantum computing, networking, sensing, and security.
Start your quantum journeyBuilding on over 30 years of research, we’ve brought quantum computing out of the lab and into the real world.
View all partners and customers.avif)
Unlock the power of quantum computing today with our industry-leading trapped ion systems. Our commercial systems deliver world-record fidelity with the necessary scale, performance, and enterprise-grade features to tackle the world’s most complex challenges.
.avif)
IonQ is at the forefront of quantum networking to secure communications and protect critical data from current and future threats.

Quantum key distribution (QKD) is used to secure communications and build the foundation of a global quantum internet.
.avif)
Harness precise measurement capabilities for ultra high precision and accuracy. IonQ’s quantum sensors enable revolutionary advances in navigation, medical imaging, and resource discovery.
.avif)
Built for speed, accuracy, and reliability, we deliver Earth-observation infrastructure engineered to support quantum-secure communications, protected networks, and precision data transfer, safeguarding critical intelligence for government and allied operators requiring high-fidelity ISR.

In collaboration with AstraZeneca, AWS, and NVIDIA, IonQ executed the largest quantum-accelerated electronic structure simulation performed to date. This groundbreaking approach accelerated the complex chemistry simulation by at least 656 times.
.avif)
IonQ's quantum fine-tuning is a hybrid approach that adds a quantum layer to classical AI models. This method makes LLMs smarter and more efficient by capturing higher-dimensional patterns that classical systems miss.

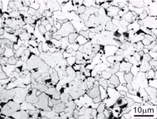
IonQ partnered with a leading global automotive manufacturer, applying quantum-classical AI to solve critical materials science challenges. Our model successfully generated higher-fidelity synthetic data for steel microstructures.
.avif)
IonQ is pioneering the use of quantum-grade diamond thin films, a breakthrough that allows diamond quantum devices to be manufactured at an industrial scale. This approach leverages semiconductor techniques, dramatically simplifying manufacturing.

For self driving cars to become a reality, vehicles must interface with road signs in the physical world. In our work with Hyundai, we explored loading images of road signs into our quantum computers for analysis. With only 8 qubits, we successfully trained a quantum machine learning image recognition algorithm to recognize common road signs with fewer input parameters than comparable classical approaches.

Forget translating your work into yet another quantum SDK. IonQ works with all of the most popular cloud providers, libraries and tools. Just sign in and get to work.